产品
卡诺普焊接/搬运专家
始于焊接,不止于焊接
始于焊接,不止于焊接
独特的⾼刚性臂设计,运⾏速度快、传动精度⾼、噪声⼩。
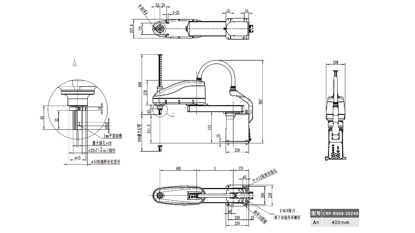
可提供800毫⽶臂⻓规格,最⾼有效负载可达20kg,额定有效负载为10kg。
配置独⽴于控制系统的安全急停板,采⽤安全继电器,对外提供双回路急停,确保急停的可靠性。
适配G12电柜,提供24路⾃定义IO;⽀持串⼝、⽹⼝、USB等多种接⼝形式。
本体线缆采⽤柔性机器⼈专⽤电缆,内置滤波器,能有效改善EMC和EMI性能。
具有重⼒补偿、负载⾃适应以及S-T功能,整机精度更⾼,冲击更⼩,典型⼯况节拍更快。
本机主要运⽤在3C⾏业,⽣产线分拣上下料,搬运,码垛,焊锡,点胶,移印等轻⼯业⾃动化集成各领域。


