产品
卡诺普焊接/搬运专家
始于焊接,不止于焊接
始于焊接,不止于焊接
配置独立于控制系统的安全急停板,采用安全继电器,对外提供双回路急停,确保急停的可靠性。
本体电缆采用柔性机器人专用电缆。
内装三相滤波器,有效改善EMC和EMI性能。
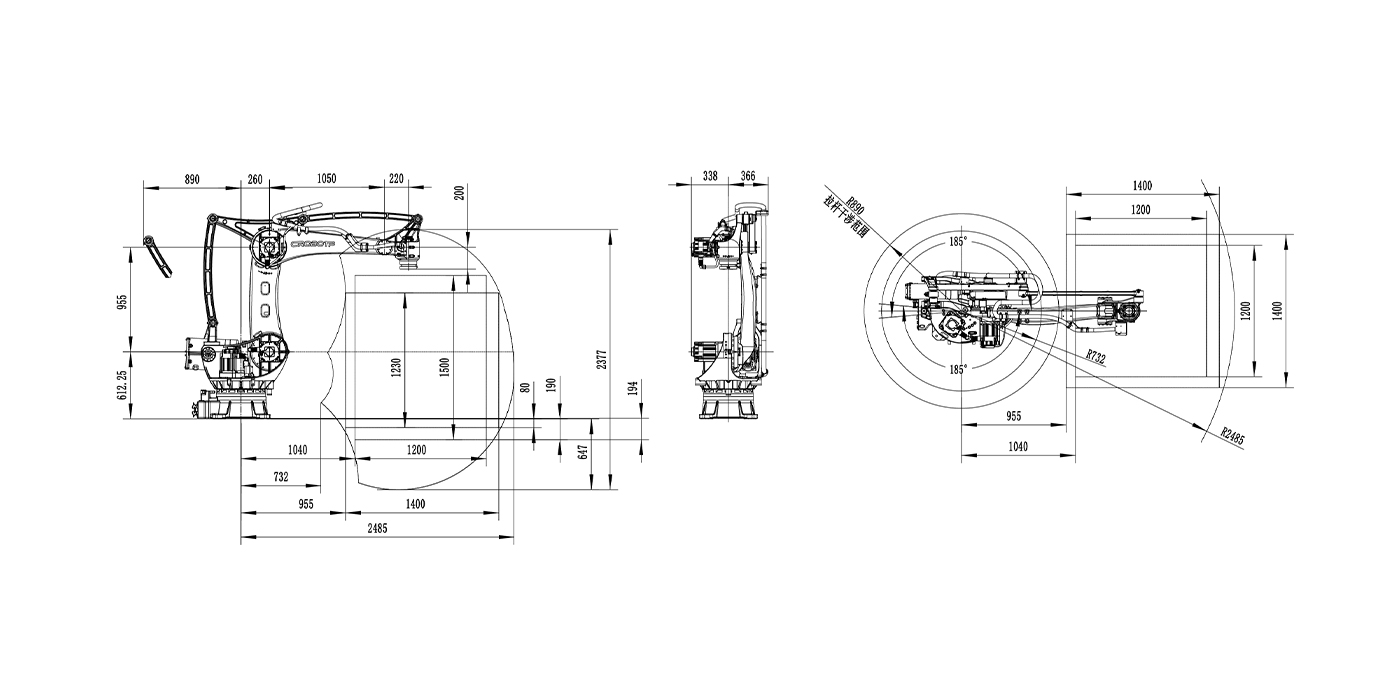
具有重力补偿、负载自适应、以及S-T功能,整机精度更高,冲击更小,典型工况节拍更快。
采用并联弹簧缸,占地面积更小,整机功耗更低,控制更平滑。
双路大孔径气管,满足大负载真空吸盘要求。


