产品
卡诺普焊接/搬运专家
始于焊接,不止于焊接
始于焊接,不止于焊接
高速高精,效率更高。整机采用全铝机身设计,较同级别产品质量更轻,RA09-12系列相比RA09A-07系列左右速度提高了30%,标准门型轨迹0.42S,重复定位精度士0.03mm,实现快速生效,提高生产产能。
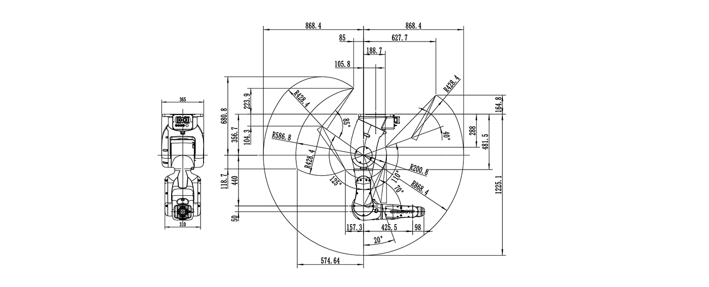
结构紧凑,部署灵活。产品电机和线缆采用内置的形式,结构更紧凑,占地面积300mm*350mm,在狭窄空间可灵活部署。
全新设计,防护更高,刚性更强。
本体采用高刚性设计方案,其刚性更高。内部全封闭方案,小臂防护等级达IP67,负载更大,范围更广,机器人负载12kg,臂展分别为900mm、机器人手腕具备更高的扭矩和惯量,负载承受能力更强,应用的场景更广。
采用全新CrobotpOS软件,控制性能更优,兼容老版X8软件功能,同时新增后台任务,Socket通讯,变量配置表等功能,运动控制采用高阶算法,轨迹更柔顺,节拍更快。


