产品
卡诺普焊接/搬运专家
始于焊接,不止于焊接
始于焊接,不止于焊接
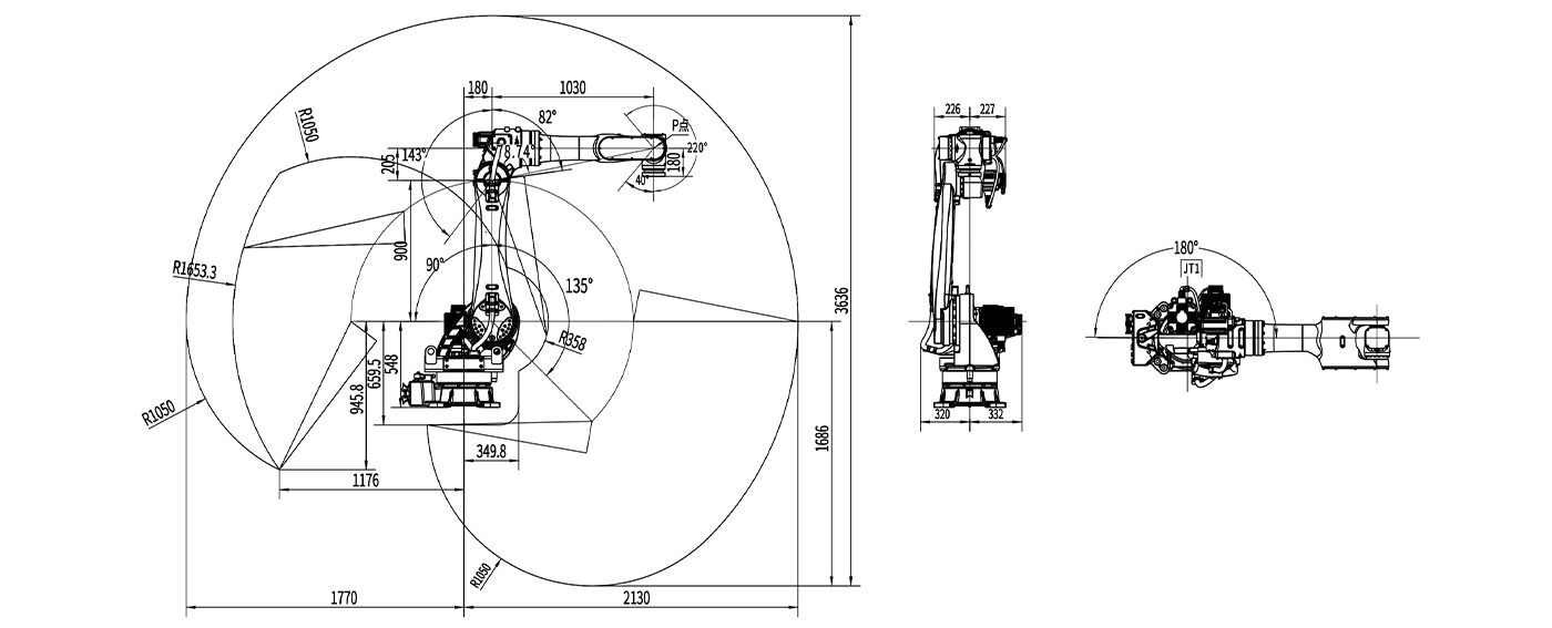
臂展2.13⽶,负载能⼒强,⼯作范围⼤,灵活性⾼。
运⾏速度快,重复定位精度,适⽤于搬运、装配、打磨等场景。
内置电缆、⽓管,减少外部⼲扰,更⼤⽅便客⼾使⽤,提⾼作业效率。
配置独⽴于控制系统的安全急停板,采⽤进⼝强制型断开继电器,对外提供双回路急停,确保急停的可靠性。
内装三相滤波器,有效隔离外部⼲扰和防⽌内部⼲扰输出。
本体提供双回路⽓管,满⾜搬运的需求。
针对包装码垛场景优化,拥有精准的操作和强⼤的⼒量,让码垛⼯作变得更轻⽽易举。


