产品
卡诺普焊接/搬运专家
始于焊接,不止于焊接
始于焊接,不止于焊接
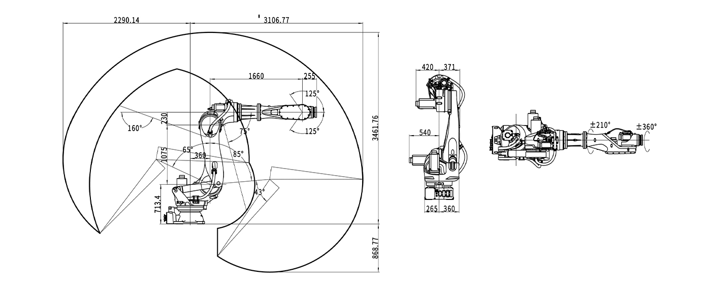
刚性⾼,负载能⼒强,运⾏更平稳。
本体采中空⼿臂结构与内置⼿腕电缆,⽆需考虑外部缠绕⽅式导致与相邻机器⼈或周边设备相互产⽣的⼲涉。
电机内置,外观简洁,适于狭⼩空间作业,运动更灵活。
根据⽤⼾使⽤场景,提供多种可选配置,可⽤于点焊、搬运、打磨,组装等⽣产线。
本体电缆采⽤柔性机器⼈专⽤电缆。
本体可配置Φ12mm双回路⽓管满⾜焊接、搬运的需求。
采⽤⾼速、⾼过载能⼒伺服电机、⾼精度RV减速机与最新防振控制策略等,缩短节距操作时间。
整机安装占地⾯积少,可实现⾼密集度的安装布线,多台协作⼯作。
机器⼈结构简洁,操作界⾯友好,易于维护保养,易操作。


