产品
卡诺普焊接/搬运专家
始于焊接,不止于焊接
始于焊接,不止于焊接
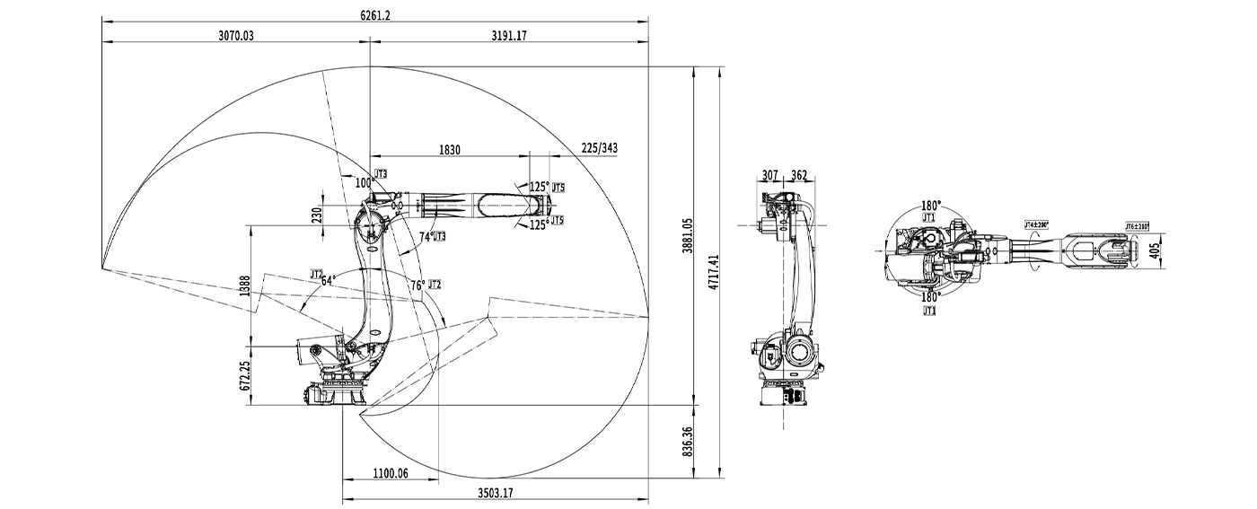
臂展3.5⽶,刚性⾼,负载能⼒强,运⾏更平稳。
采⽤中空⼿臂结构与内置⼿腕电缆,⽆需考虑外部缠绕⽅式导致与相邻机器⼈或周边设备相互产⽣的⼲涉。
⼿臂电机内置,外观简洁,适于狭⼩空间作业,运动更灵活。
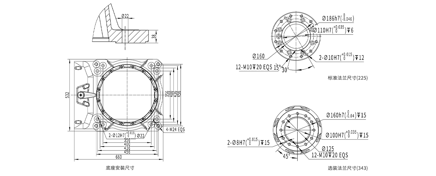
根据⽤⼾使⽤场景,提供多种可选配置,可⽤于搬运、打磨、组装等⽣产线。
本体电缆采⽤柔性机器⼈专⽤电缆。
内装三相滤波器,有效改善EMC和EMI性能。
采⽤⾼速、⾼过载能⼒伺服电机、⾼精度RV减速机与最新防振控制策略等,缩短节距操作时间,⼤幅缩短周期时间。


