产品选型
选择臂展
  • 不限
  • 1.5米以内
  • 2米以内
  • 2.5米以内
  • 3米以内
  • 4米以内
选择负载
  • 不限
  • 10kg以内
  • 30kg以内
  • 50kg以内
  • 100kg以内
  • 200kg以内
  • 400kg以内
选型工具
嘿,您好
我能帮上什么忙?

给我们留言

请留言

CRP-RA18-20
描述
工业机器人搬运用途
功能特点
  • 机器⼈整体结构⾼度紧凑、轻量化,更加轻巧适⽤,尤其腕部更加⼩巧,满⾜更多的场景。

  • 机器⼈刚性⾼,采⽤⾼速电机,节拍更快。

  • 机器⼈电机采⽤密封设计,防护等级⾼达IP67,适应更恶劣的应⽤环境。

  • 驱动采⽤全新的PID控制,前瞻技术,快速响应。观测器动态补偿,弱磁功能,电机控制更好、更稳、转速更⾼。

  • 全新的控制算法,运动学与动⼒学结合。全新的设计、驱动算法、控制算法融为⼀体,根据机械部件特性,负载情况,实现⾃动规划,保证机械寿命的同时机器⼈在允许的最⼤能⼒范围⼯作,机器⼈寿命更⻓久,机器⼈实现⾼速响应,运⾏速度更快、更柔、更稳,⼯作节拍更快。

  • 具有碰撞检测功能和重⼒补偿功能,机器⼈精度更⾼,满⾜更⾼精度的场景应⽤,拓宽应⽤场景。

  • 配置独⽴于控制系统的安全急停板,采⽤强制型断开继电器,对外提供双回路急停,确保急停的可靠性。

  • 内装滤波器,有效隔离外部⼲扰和防⽌内部⼲扰输出。


本体技术指标

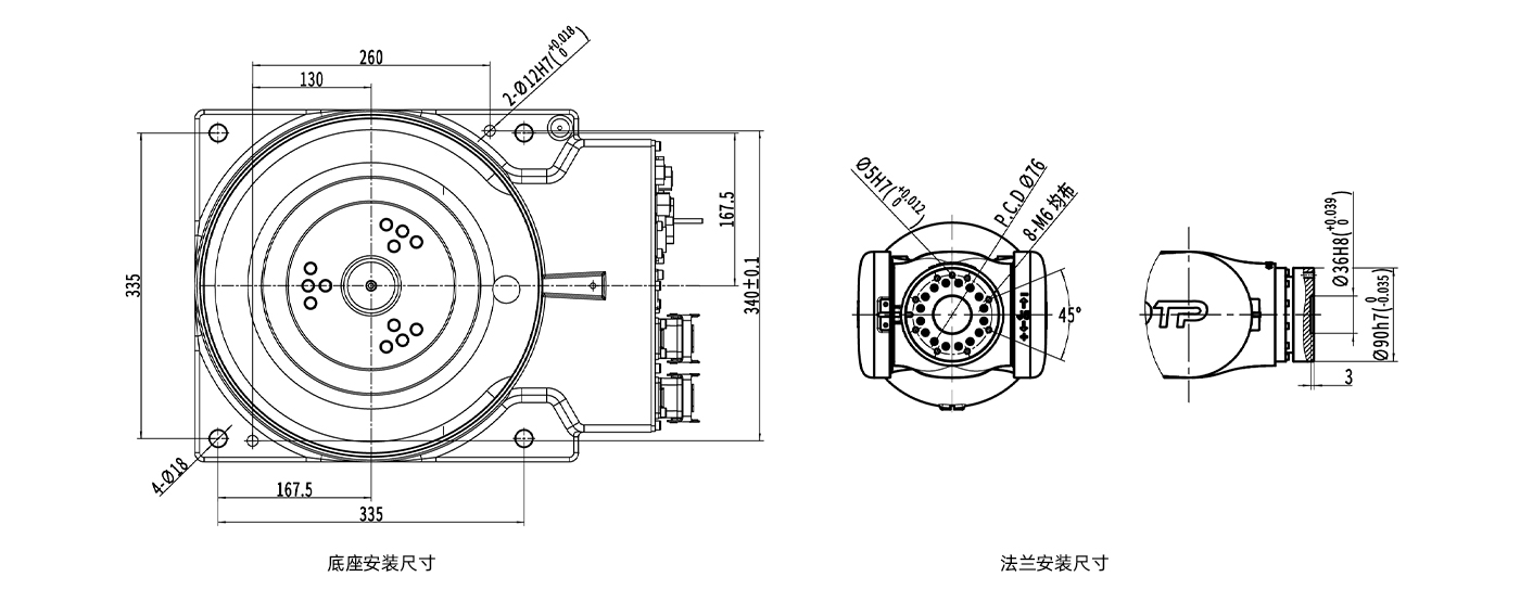
安装接口图

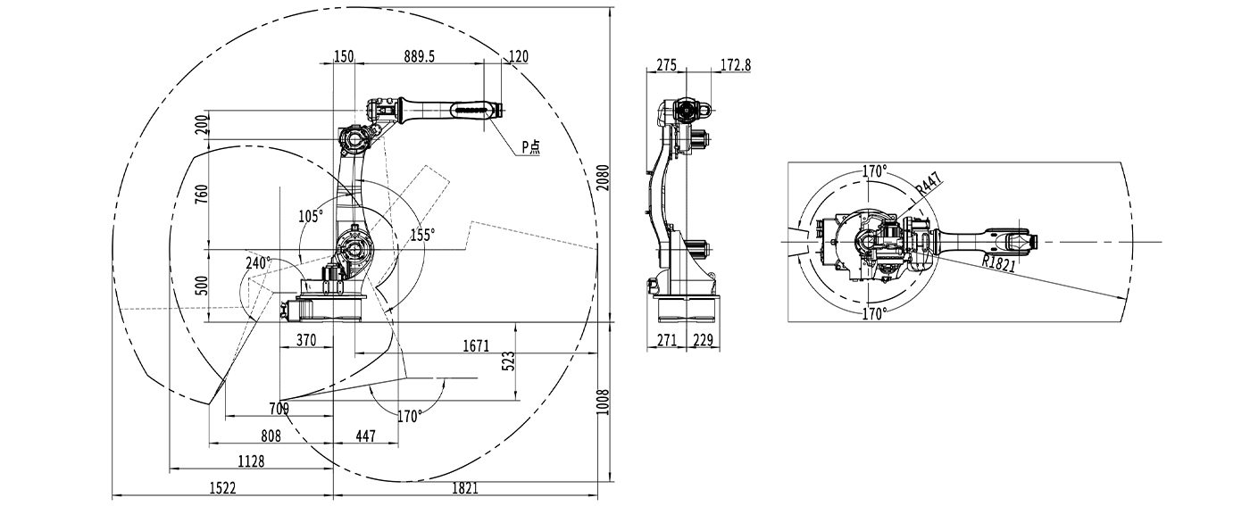
运动范围图