产品选型
选择臂展
  • 不限
  • 1.5米以内
  • 2米以内
  • 2.5米以内
  • 3米以内
  • 4米以内
选择负载
  • 不限
  • 10kg以内
  • 30kg以内
  • 50kg以内
  • 100kg以内
  • 200kg以内
  • 400kg以内
选型工具
嘿,您好
我能帮上什么忙?

给我们留言

请留言

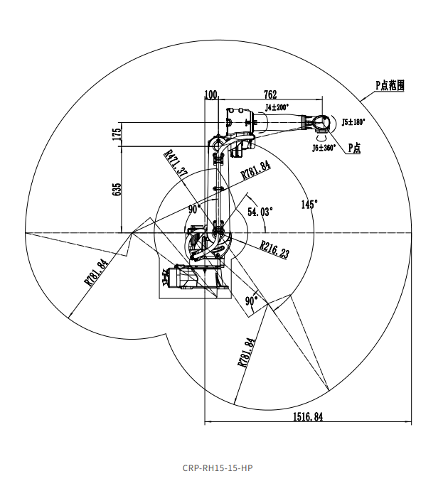
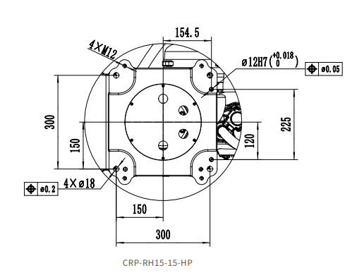
CRP-RH15-15-HP
描述
齿轮版打磨机器人
功能特点
  • 高刚性小臂采用齿轮版结构,并提升机器人的过载能力;

  • 加速能力更强,本体的高刚性设计与齿轮版结构技术方案,在加速能力更强,节拍更快;

  • 中空结构,J1轴中空齿轮106mm,肘部机腕部中空尺寸57mm,更方便布线;

  • J5轴范围更大,第5轴范围±180°,可以实现较大姿态的旋转;

  • 精度更高,定位精度在±0.3mm,重复定位精度±0.02mm;

产品参数

安装图

工作范围